




公司電話:0731-85238098LC-16P半制備液相系統的特點:
LC-16P送液泵
可在0.001~25.00 mL/min流量范圍內送液。采用自行研發的新型并聯雙柱塞往復驅動的方法,在低流量領域也可實現脈沖小、穩定的送液。從微量分析、常規分析,到半制備領域,都可以用1臺泵對應。
SIL-16P 自動進樣器
沿襲在高性能和耐久性上廣為好評的SIL-16的基本設計,同時具備可靠性和高性能。適合半制備分析對應的大體積進樣,也可以通過選擇合適的配件進行常規分析進樣。除此之外,還搭載了稀釋、添加等預處理程序,能廣泛對應各種用途。
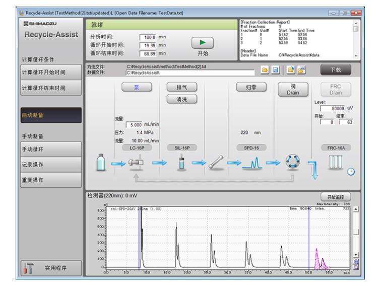
循環組件和Recycle -Assist循環助手軟件
LC-16P輸液泵可以裝上選配的循環組件和循環閥,可實現閉合回路循環分離,且合適的低泵腔體積可以有效阻礙色譜柱以外的擴散,以高效率、低成本、節能環保的方式顯著提升分離效果。通過使用Recycle-Assist循環助手軟件,從循環分離到餾分收集全程都可自動化進行,實現操作方式簡易化、操作流程快捷化。
簡潔、直觀的Recycle-Assist軟件界面:
LabSolutions Essentia中文工作站
LabSolutions Essentia中文工作站增加了對LC-16P各個模塊的控制,集儀器控制、數據采集與數據再解析為一體,可以滿足GLP/GMP法規要求的用戶管理功能及審計追蹤的功能。




